NHC 922 800mm
Industrial Disc Brake
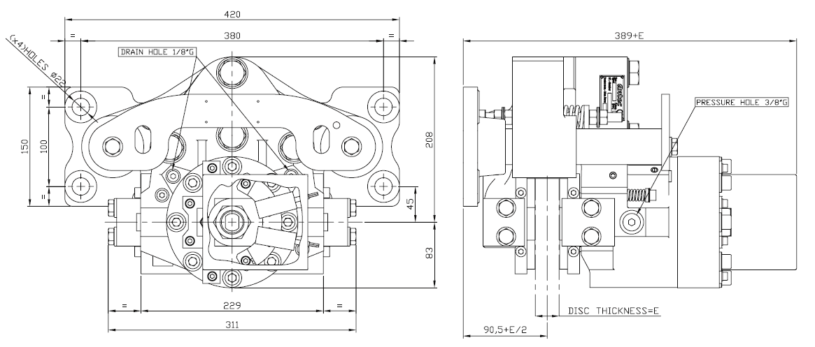
The NHC 922 is a relatively low torque spring applied, hydraulically released, industrial disc brake.
This industrial brake is ideal for use as an emergency brake, where it is installed on an output shaft connected drive component, due to its fast response time and ability to handle higher rubbing speeds. It’s also commonly used as a holding brake where it can be a cost effective solution that requires minimal maintenance.
The NHC is a floating caliper model, meaning it uses a single spring configuration. When compared to a comparable fixed caliper brake, which uses a dual spring configuration, floating caliper brakes like the NHC are ideal for applications with lateral space constraints. In situations where lateral space is not constrained, consider a comparable fixed caliper model like an NHCD brake.
This versatile fail-safe brake is used in a wide range of industrial applications including on hoists, cranes, and winches in ports, steel mills, and mining applications. It is also used on other types of material handling equipment, for instance in the pulp and paper industry.
Hindon provides full service and support for NHC brakes, including helping you determine if this brake model is the best and most cost effective solution for your application. We also provide comprehensive brake repair services.
Click here to learn more about our full line of industrial brakes or give us a call or email to discuss your unique industrial braking application.
Product Specifications
| Name | NHC 922 800mm |
|---|---|
| Type | Disc |
| Actuation | Hydraulically Released |
| d2 - Disc Diameter (mm) | 800 |
| Torque (N-m) | 5896 |
| Clamping Force (N) | 22000 |
| Min Release Pressure (MPa) | 7 |
| Max Release Pressure (MPa) | 21 |
| Release Stroke (mm) | 0.5 (each side) |
| Oil Volume (cm3) | 47 |
| Pad Surface (cm2) | 300 (each side) |
| Friction Coefficient | 0.4 |
| Braking Force (N) | 17600 |
| Weight (Kg) | 90 |
| Options |
|


Commitment to service and support
Hindon is dedicated to providing comprehensive support for our products and the people who depend on them. From initial consultation to inspection, maintenance, and repair services, our goal is to provide the right equipment for your application and to keep your product in top shape for its full lifecycle. If you’re not sure which product is right for your application, call or chat with one of our sales engineers.