LDM 250
Electromagnetic Drum Brake
The LDM brake is a heavy duty spring applied, electromagnetically released industrial drum brake.
This electromagnetic brake is designed according to the DIN 15435 – 63.220 specification and is often used in steel mills, as well as other challenging environments.
The LDM is available in both 500 cycle/hour and 600 cycle/hour configurations. While commonly configured with shunts connected, this brake is also available in series connection.
Hindon provides comprehensive support for LDM brakes including repair services and full engineering, technical, and application support.
Click here to learn more about our full line of industrial brakes.
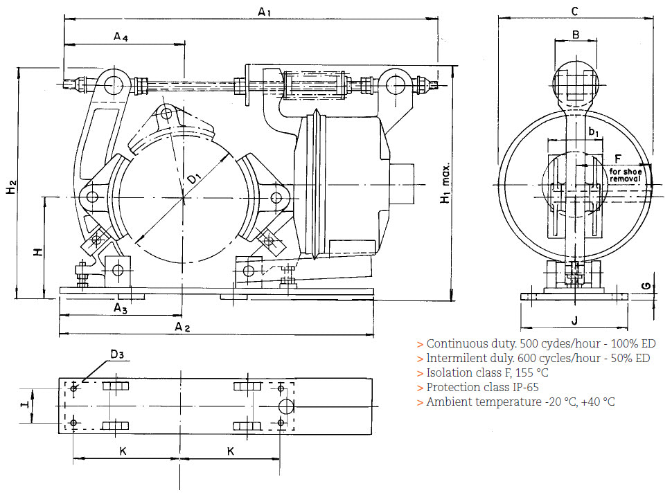
Product Specifications
| Name | LDM 250 |
|---|---|
| Type | Drum |
| Actuation | Electromagnetic Solenoid Released |
| Disc Dia - A (mm) | 250 |
| Brake Torque (N-m) | 405 |
| Power (W) | 200 |
| Weight (kg) | 70 |
| F (mm) | 130 |
| G (mm) | 13 |
| J (mm) | 100 |
| Drum Dia (mm) | 250 |
| Drum Width (mm) | 95 |
| Shoe Width (mm) | 90 |
| A1 (mm) | 600 |
| A2 (mm) | 580 |
| A3 (mm) | 220 |
| A4 (mm) | 200 |
| B (mm) | 45 |
| C (mm) | 280 |
| D1 (mm) | 250 |
| D3 (mm) | 18 |
| H (mm) | 190 |
| H1 (mm) | 418 |
| H2 (mm) | 413 |
| I (mm) | 65 |
| K (mm) | 180 |


Commitment to service and support
Hindon is dedicated to providing comprehensive support for our products and the people who depend on them. From initial consultation to inspection, maintenance, and repair services, our goal is to provide the right equipment for your application and to keep your product in top shape for its full lifecycle. If you’re not sure which product is right for your application, call or chat with one of our sales engineers.