SL200/23/5
Industrial Drum Brake
The SL drum brake is a spring applied, electrohydraulic thruster released, industrial drum brake.
This thruster drum brake is foot mounted, has an externally adjustable torque spring, and is configured with the thruster on top of the brake.
This drum brake is ideal for use in space-constrained applications, where the thruster configuration affords you more space in which to mount the brake.
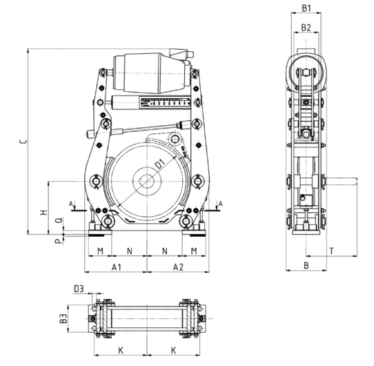
Product Specifications
| Name | SL200/23/5 |
|---|---|
| Type | Drum |
| Actuation | Electrohydraulic Thruster Released |
| D1 (mm) | 200 |
| Thruster | 23/5 |
| TQMin (N-m) | 100 |
| TQMax (N-m) | 300 |
| A1Max (mm) | 235 |
| A2Max (mm) | 190 |
| BMax (mm) | 162 |
| CMax (mm) | 730 |
| B1 (mm) | 75 |
| B2 (mm) | 70 |
| B3 (mm) | 80 |
| D3 (mm) | 14 |
| H (mm) | 155 |
| I (mm) | 55 |
| K (mm) | 145 |
| M (mm) | 90 |
| N (mm) | 85 |
| P (mm) | 5 |
| Q (mm) | 10 |
| T (mm) | 155 |
| Weight (kg) | 24 |
| Friction Coefficient | 0.4 |


Commitment to service and support
Hindon is dedicated to providing comprehensive support for our products and the people who depend on them. From initial consultation to inspection, maintenance, and repair services, our goal is to provide the right equipment for your application and to keep your product in top shape for its full lifecycle. If you’re not sure which product is right for your application, call or chat with one of our sales engineers.