SHI 252 1750mm
Industrial Disc Brake
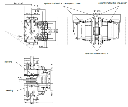
The SHI 252 is a heavy-duty industrial fixed caliper disc brake. It is a hydraulic fail-safe brake, meaning it is spring applied and hydraulically released.
Advantages of this caliper disc brake include its fast response time and high torque output. Its externally adjustable air-gap also makes it easy to produce a range of torque values.
This hydraulic disc brake is used primarily in holding and emergency stop applications, especially on winches and hoist drums where the brake disc is bolted onto the rope drum. As a safety brake, it is installed and designed for braking on the output shaft. When compared to a comparable floating caliper brake, fixed caliper brakes are ideal for applications with minimal space constraints. In situations where lateral space is limited, consider a comparable floating caliper model.
Hindon provides comprehensive support for SHI models including repair services and full engineering and technical support.
Product Specifications
| Name | SHI 252 1750mm |
|---|---|
| Type | Disc |
| Actuation | Hydraulically Released |
| d - Disc Diameter (mm) | 1750 |
| Torque Max. (N-m) | 272800 |
| Torque Min. (N-m) | 223200 |
| Fa - Clamping Force at c = 1mm (N) | 440000 |
| Fa - Clamping Force at c = 2mm (N) | 400000 |
| Fa - Clamping Force at c = 3mm (N) | 360000 |
| Pl - Release Pressure (bar) | 140 |
| Pmax - Max Pressure (bar) | 175 |
| Vmax - Volume at c=2.0mm (ltr) | 0.142 |
| Weight (kg) | 610 |
| Mounting Studs | 6, M42, 12.9 |
| Ma - Fastening Torque (N-m) | 6000 at μ=0.14 |
| Linings | Sinter |
| Friction Coefficient | 0.4 |


Commitment to service and support
Hindon is dedicated to providing comprehensive support for our products and the people who depend on them. From initial consultation to inspection, maintenance, and repair services, our goal is to provide the right equipment for your application and to keep your product in top shape for its full lifecycle. If you’re not sure which product is right for your application, call or chat with one of our sales engineers.